产品列表
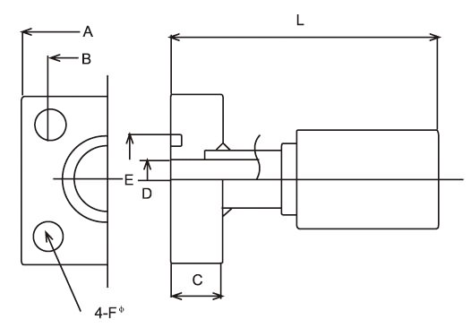
JIS 210K法兰接头(R1、R2/R3用)
所在位置:首页 -> 产品展厅 -> 接头 -> 法兰接头 ->

版权所属:青岛协荣液压技术有限公司  鲁ICP备06006480号(beian.miit.gov.cn) 网址:www.qdkyoei.com 地址:青岛市城阳区空港工业园协荣路15号 SITEMAP
电话:0532-87718021/87718022/87718023 传真:0532-87718025 搜索关键词:胶管总成 特氟隆管 蒸汽管 高压接头